ہائی پاور 1653.7nm لیزر ماڈیول سبکیریئر پر چپ کے ساتھ پلانر تعمیر کا استعمال کرتا ہے۔ اعلی پاور چپ کو ہرمیٹک طور پر ایک ایپوسی فری اور فلوکس فری 14 پن تتلی پیکیج میں سیل کیا گیا ہے اور اس کے ساتھ لیس ہے اعلی معیار کے لیزر کارکردگی کو محفوظ بنانے کے لئے تھرمسٹر ، تھرمو الیکٹرک کولر ، اور مانیٹر ڈایڈڈ۔ میتھین گیس کا پتہ لگانے کے لئے 1653nm 40MW BTF لیزر ڈایڈڈ ٹیلکورڈیا GR-468 کوالیفائی ہے ، اور ROHS ہدایت کی تعمیل میں ہے۔
ہائی پاور 1653.7nm لیزر ماڈیول سبکیریئر پر چپ کے ساتھ پلانر تعمیر کا استعمال کرتا ہے۔ ہائی پاور چپ ہرمیٹک طور پر ایک ایپوسی فری اور فلوکس فری 14 پن تتلی پیکیج میں مہر لگا دی گئی ہے اور اعلی معیار کے لیزر کی کارکردگی کو محفوظ بنانے کے لئے تھرمسٹر ، تھرمو الیکٹرک کولر ، اور مانیٹر ڈایڈڈ سے لیس ہے۔ ہماری لیزر مصنوعات ٹیلکورڈیا GR-468 کوالیفائی ہیں ، اور ROHS ہدایت کی تعمیل میں ہیں۔
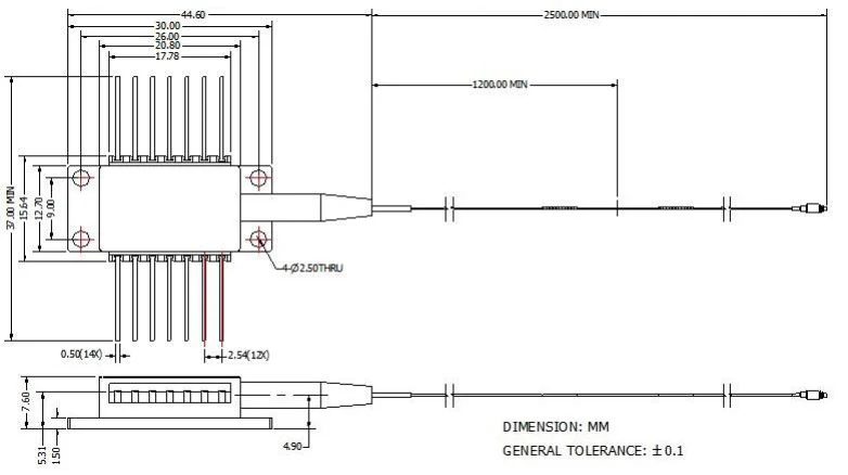
● صنعت کے معیاری 14 پن تتلی پیکیج ؛
T TEC اور آپٹیکل الگ تھلگ بلٹ میں۔
● اعلی کارکردگی ، ملٹی کینٹم ویل (ایم کیو ڈبلیو) تقسیم شدہ فیڈ بیک (ڈی ایف بی) لیزر۔
gas گیس کا پتہ لگانے کے لئے غیر فعال اجزاء کی پیداوار کی جانچ ؛
● فائبر گیس کا پتہ لگانے کا نظام ؛
● لیزر ذرائع۔
| پیرامیٹر | علامت | حالت | منٹ | ٹائپ | زیادہ سے زیادہ | یونٹ |
| سینٹر طول موج | LC | tl = 15 ~ 35 ℃ qu | 1652.7 | 1653.7 | 1654.7 | nm |
| آپٹیکل آؤٹ پٹ پاور | کے بعد | CW | - | 40 | - | میگاواٹ |
| ایل ڈی حد موجودہ | ith | CW | - | 15 | 40 | ایم اے |
| LD فارورڈ کرنٹ | اگر | پی ایف = ریٹیڈ پاور | - | 300 | 400 | ایم اے |
| آپٹیکل تنہائی | - | -10 |
30
|
-
|
-
|
ڈی بی |
|
| سائیڈ موڈ دبانے کا تناسب | ایس ایم ایس آر | CW | 35 | 40 | - | ڈی بی |
| ذمہ داری کی نگرانی کریں | ویکسینیشن | - | - | 1 | 20 | / میگاواٹ تھا |
| ذمہ داری کے استحکام کی نگرانی کریں | - | - | - | - | 20 ٪ | - |
| تاریک موجودہ کی نگرانی کریں | ID | VPD = 5V | - | - | 50 | نا |
| TEC موجودہ | آئی ٹی ای سی | tcase = 75 ℃ | - | - | 2 | A |
| ٹیک وولٹیج | vtec | tcase = 75 ℃ | - | - | 3.5 | V |
| TEC بجلی کی کھپت | P | tstg = 25 ℃ | - | - | 5 | W |
| تھرمسٹر مزاحمت | rth | tcase = 75 ℃ | 9.5 | 10 | 10.5 | کوہم |
| تھرمسٹر بی مستقل | Bth | tstg = 25 ℃ | - | 3900 | - | K |
| طول موج کا بہاؤ (EOL) | △ λ | 25 سال سے زیادہ عمر کا تجربہ کیا | - | - | ± 0.1 | nm |
| لہر درجہ حرارت کے گتانک | dl/dt | TEC درجہ حرارت 15 ℃ سے 35 ℃ پر | - | 0.09 | - | NM/℃ |
| طول موج موجودہ گتانک | dl/di | - | - | 0.01 | - | NM / in |

شپنگ سے پہلے تمام مصنوعات کا تجربہ کیا گیا ہے۔
تمام مصنوعات کی 1 سال کی وارنٹی ہے۔ (معیار کی ضمانت کی مدت کے بعد مناسب بحالی کی خدمت کی فیس وصول کرنا شروع ہوگئی۔)
ہم آپ کے کاروبار کی تعریف کرتے ہیں اور فوری طور پر 7 دن کی واپسی کی پالیسی پیش کرتے ہیں۔ (اشیاء وصول کرنے کے 7 دن بعد) ؛
اگر آپ ہمارے اسٹور سے جو چیزیں خریدتے ہیں وہ مکمل معیار کی نہیں ہے ، تو وہ یہ ہے کہ وہ مینوفیکچررز کی وضاحتوں کے لئے الیکٹرانک طور پر کام نہیں کرتے ہیں تو ، انہیں متبادل یا رقم کی واپسی کے لئے صرف ہمارے پاس واپس کریں۔
اگر اشیاء عیب دار ہیں تو ، براہ کرم ہمیں ترسیل کے 3 دن کے اندر مطلع کریں۔
رقم کی واپسی یا متبادل کے لئے کوالیفائی کرنے کے لئے کسی بھی چیز کو ان کی اصل حالت میں واپس کرنا ضروری ہے۔
خریدار تمام شپنگ لاگت کے لئے ذمہ دار ہے۔
س: طول موج کی درستگی کیا ہے؟
A: +/- 0.5nm.
س: کیا آپ کے پاس آؤٹ پٹ پاور کے دوسرے ورژن ہیں؟
A: 10MW ، 15MW ، 50MW۔
سی بینڈ نارو لائن وڈتھ انٹیگریٹڈ ٹیون ایبل لیزر اسمبلی ITLA
1550nm 40mW 200Khz تنگ لکیر کی چوڑائی DFB بٹر فلائی لیزر ڈیوڈ
1550nm 40mW 600Khz DFB بٹر فلائی پیکیج تنگ لائن چوڑائی لیزر ڈائیوڈ
1550nm 50mW 100Khz تنگ لکیر کی چوڑائی DFB بٹر فلائی لیزر ڈیوڈ
1550nm 2mW 5mW تنگ لکیر چوڑائی سماکشی لیزر ڈایڈڈ
1550nm 100mw 100kHz تنگ لائن وڈتھ DFB لیزر ڈایڈڈ BTF کے ساتھ ایس ایم/پی ایم فائبر کے ساتھکاپی رائٹ @ 2020 شینزین باکس اوپٹرونکس ٹکنالوجی کمپنی ، لمیٹڈ - چین فائبر آپٹک ماڈیولز ، فائبر کے جوڑے لیزرز مینوفیکچررز ، لیزر اجزاء سپلائرز تمام حقوق محفوظ ہیں۔